¶íÂÞ˹¹ó±ö»á¼¯ÍÅ

English ¶íÂÞ˹¹ó±ö»á¼¯Íż¯ÍÅÆóÒµÓÊÏä
icon_searchclose

µÚÈý½Ú ÉÕÉËʪÐÔÒ½ÁƼ¼Êõ¶ÔÉÕÉËÈ«ºñƤ£¨ÕæÆ¤£©»µËÀ´´ÃæÆ¤·ô ÉúÀíÔÙÉúµÄ×é֯ѧ¹Û²ì¡ªµäÐͲ¡Àý½éÉÜ

×÷ÕߣºÖйúÖÐÎ÷Ò½½áºÏѧ»áÉÕÉËרҵίԱ»á ³ö°æÉ磺ÖйúÒ½Ò©¿Æ¼¼³ö°æÉç ¿¯ÐÐÈÕÆÚ£º2000Äê6ÔÂ

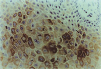
»¼ÕßÀî¡Á¡Á Å®20Ëê ÆûÓÍÉÕÉË35%TBSA£¨Éî¢ò¶ÈÉîÐÍ15% dz¢ó¶È20%£©¡£

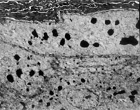
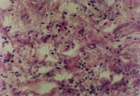
É˺ó12h¼¹ØïÈëÔº£¬²é³­Ë«ÏÂ֫Ϊdz¢ó¶ÈÉÕÉË¡£´´Ãæ±íƤÒÑ»µËÀ°þÍÑ£¬ÕæÆ¤²ã±äÐÔ»µËÀ³ÊÀ¯»ÆÉ«ºÍÀ¯°×É«Ïà¼ä£¨Í¼5-3-1£©¡£È¡²¿ÃÅ×éÖ¯×ö²¡ÀíÇÐÆ¬²é³­£¬ÏÔʾÉÏÆ¤×é֯ȫ²ã»µËÀ£¬ÕæÆ¤²ã½ºÔ­ÏËά±äÐÔ£¬½á¹¹´íÂÒ£¬Î¢Ñ­»·ðöÖÍ£¨Í¼5-3-2£©¡£

ÈëÔººóÁ¢¼´ÓÃMEBO±íÍ¿±£»¤´´Ã棬²¢Ðиû×÷¼õÕÅ´¦Öá£É˺ó48h²¿ÃÅ´´ÃæÆðÍ·Òº»¯£¬É˺ó4Ìì´´Ãæ»µËÀ×éÖ¯ÒÑÈ«ÊýÆðÍ·Òº»¯£¨Í¼5-3-3£©¡£Ã¿3¡«4h¶Ï¸ù´´ÃæÒº»¯ÎïÒ»´Î²¢±íÍ¿MEBO¡£

ԭλÇÐÈ¡´´Ãæ×éÖ¯²¡ÀíÇÐÆ¬²é³­£¬¼û»µËÀÉÏÆ¤×éÖ¯¼äÓдóÁ¿¿ÅÁ£Ñù×éÖ¯£¬ÐÂÉúÉÏÆ¤Ï¸°ûºÍ½ºÔ­ÏËά×éÖ¯³ÊÍÅÑùÔöÉú£¬²¢¿É¼ûµ½µäÐ͵ÄÀàËÆÓÚÌ¥¶ùƤ·ô½á¹¹µÄƤ·ôÅßÌ¥»ù(embryonic base,EB)(ͼ5-3-4a,5-3-4b)¡£MEBTÒ½ÖÎ10Ììºó£¬ÔÚ´´Ãæ±ßԵȡÉÏÆ¤×éÖ¯²¡ÀíÇÐÆ¬¿É¼ûµ½½ÏԭʼµÄÉÏÆ¤×éÖ¯¡£

MEBTÒ½ÖÎ20Ì죬Éî¶È´´Ãæ´¦×éÖ¯ÇÐÆ¬¿É¼ûÐÂÉú½ÏÆëÈ«µÄ¸´²ãÁÛ×´ÉÏÆ¤×éÖ¯£¬±íƤ²ãϸ°û״̬ÒѾ­Ç÷ÓÚÕý³££¬ÕæÆ¤²ã½ºÔ­ÏËάϸ°ûºÍ΢Ѫ¹Ü״̬ÒѾ­³öÏÖ¡£

Ò½ÖÎ30Ììºó£¬´´ÃæÉÏÆ¤×éÖ¯ÔÙÉú½¨¸´ÓÅÁ¼£¨Í¼5-3-5£©£¬Æ¤·ô½á¹¹ÒѾ­¸ù»ùÕý³££¨Í¼5-3-6£©¡£

1. ×éÖ¯»¯Ñ§¼°ÃâÒß×éÖ¯»¯Ñ§È¾É«²é³­ MEBT/MEBOÒ½ÖÎ20Ììºó´´Ãæ×éÖ¯»¯Ñ§È¾É«£¬ÉÏÆ¤×éÖ¯ºÍƤÏÂ×éÖ¯ÖнºÔ­ÏËάÇ峺¿É¼û¡£

ÊÈÒøÈ¾É«£¬ÏÔÊ¾Íø×´ÏËάÔÙÉúÑÄÔ¾¡£Æ¤ÏÂ×éÖ¯Ó×Ѫ¹ÜÖÜÎ§Íø×´ÏËά×éÖ¯±ÈÁ¦Õý³£¡£»ùµ×²ã»îÔ¾ÔÙÉú£¨Í¼5-3-7¡«5-3-8£©¡£

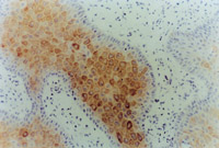
MEBT/MEBOÒ½ÖÎ30Ììºó£¬ÔÙÉú½¨¸´µÄÉÏÆ¤×éÖ¯½øÐÐϸ°û½ÇÖÊËØAE3²é³­ÎªÑôÐÔ£¬±íƤ¿ÅÁ£²ãϸ°ûÖʳÊ×ØÉ«È¾É«£¬Ï¸°ûºË³ÊÀ¶É«£¨Í¼5-3-9¡«5-3-6£©£¬Ö¤ÊµÎª×ÔÉíÔÙÉúµÄ¸´²ãÁÛ×´ÉÏÆ¤¡£

AE1ȾɫÏÙÉÏÆ¤µ°°×ÒõÐÔ¡£´Ë¾°Ïó˼¿¼Îªº¹ÏÙÉÏÆ¤Ï¸°ûÒÑת»¯Îª±íƤ¸Éϸ°û£¨Í¼5-3-11£©¡£

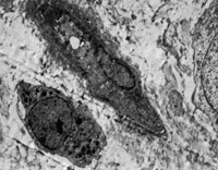
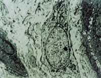
2. µç¾µ¹Û²ì ÊÜÉ˵±ÈÕÉÏÆ¤×éÖ¯±äÐÔ»µËÀ£¬¿É¼ûµ¥ºËϸ°ûºËÆ«ÒÆ¡¢¹ÌËõ£¬²¢ÓÐÍÌÊɾ°Ïó£¨Í¼5-3-12£©¡£

¾­MEBT/MEBOÒ½ÖÎ5Ì죬¿É¼û´´ÃæÏËάϸ°û£¬³ÉÏËάϸ°û³É³¤±ÈÁ¦»îÔ¾£¨Í¼5-3-13£©¡£

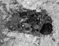
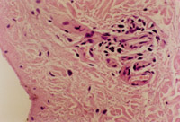
¾­MEBT/MEBOÒ½ÖÎ10Ì죬´´Ãæ×éÖ¯ÇÐÆ¬¿É¼û±íƤ¼¬²ã¼¬Ï¸°û³öÏÖ²¢ÓÐÇÅÁ£Ïνӣ¨Í¼5-3-14¡«5-3-15£©¡£¿ÅÁ£²ã¿ÅÁ£Ï¸°û³öÏÖ¡£ÔÚ»ùÐéʵ°û²ã¿É¼ûÐþÉ«ËØÓ×Ì壨ͼ5-3-6¡«5-3-17£©¡£²¢¿É¼ûÓ×Ѫ¹ÜÖÜΧµÄÍÌÊÉϸ°ûÓÐÍÌÊɾ°Ïó£¨Í¼5-3-18£©£¬×¢Ã÷ÆäÖ°ÄÜÒ²ÒѾ­ÔÚ¸´Ô­¡£

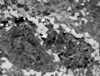
¾­MEBT/MEBOÒ½ÖÎ20Ì죬µç¾µ¹Û²ìµ½»ùÐéʵ°û²ãÓëÏËάĸϸ°ûÖ®¼äµÄ°ëÇÅÁ£ÏνÓ£¬Í¬Ê±¿É¼ûÏËάĸϸ°ûÄÚ´ÖÃæÄÚÖÊÍø½á¹¹ºÍÏßÁ£ÌåÔöÉúÑÄÔ¾£¨Í¼5-3-19¡«5-3-21£©¡£ MEBT/MEBOÒ½ÖÎ30Ììºó£¬ÉÏÆ¤×éÖ¯ÔÙÉú½¨¸´£¬ÒѸù»ùʵÏÖ£¬´´Ãæ×éÖ¯ÇÐÆ¬ÏÔʾ½ºÔ­ÏËά³ÉÊ죬·ÖÁÐÕûÆë£¨Í¼5-3-22£©£¬Ö±¾¶Îª0.1¡«0.5µm£¬²¢¿É¼ûÃ÷°µÏà¼äÖÜÆÚÐÔºáÎÆ£¨64nm£©£¬Î´¼ûµ½½ºÔ­ÏËάŤÇúºÍ³ÊÐýÎÓ×¢²Ë»¨µÈ²¡Àí״̬¡£

´´ÃæÓúºÏºóÏÂÖ«Ö°ÄÜÄ¥Á¶£¬´´Ãæ³ÖÐø±íÓÃMEBO×÷Èó·ôÓÍʹÓá£É˺ó45ÌìȬÓú³öÔº¡£

          2011218154457928

5-3-1 Àîij Å® 20Ë꣬ÆûÓÍÉÕÉË35%TBSA £¨Éî¢ò¡ãÉîÐÍ15%£¬Ç³¢ó¡ã20%£©

          201121815454893

5-3-2 ÉÏÆ¤×é֯ȫ²ã»µËÀ£¬½ºÔ­ÏËά±äÐÔ£¬Î¢Ñ­»·ðöÖÍ HE¡Á20

          201121815459102

5-3-3 É˺ó4Ì죬´´ÃæÔÚMEBO×÷ÓÃϽøÈëÒº»¯ÆÚ£¬´´ÃæÆ¤·ô×éÖ¯ÆðÍ·ÔÙÉú

          2011218154513371

5-3-4a ÐÂÉúÉÏÆ¤×éÖ¯ºÍ½ºÔ­ÏËάÔöÉú£¬¿É¼ûµäÐÍEB£¨Æ¤·ôÅßÌ¥»ù£© HE¡Á40

          2011218154518645

5-3-4b ÐÂÉúÉÏÆ¤×éÖ¯Öпɼû΢Ѫ¹Ü£¬½ºÔ­ÏËάºÍÉÏÆ¤Ï¸°û(¸Éϸ°û)ÐÎ³ÉµÄÆ¤·ôÅßÌ¥»ù×éÖ¯  HE¡Á40

          2011218154522911

5-3-5 MEBT/MEBOÒ½ÖÎ30Ì죬´´ÃæÆ¤·ôÔÙÉú½¨¸´ÓÅÁ¼

          2011218154527681

5-3-6 Ò½ÖÎ30ÌìºóµÄ´´ÃæÆä±íƤ×éÖ¯£¬ÕæÆ¤×éÖ¯½á¹¹ÒѳÊÉúÀí״̬  HE¡Á20

(×éÖ¯»¯Ñ§ÊÈÒøÈ¾É«)

          2011218154536390

5-3-7 MEBT/MEBOÒ½ÖÎ20Ì죬±íƤ»ùµ×²ã£¬»ùµ×ĤÔÙÉúÑÄÔ¾  HE¡Á20

          2011218154541723

5-3-8 ͬÉÏ£¬ÕæÆ¤²ãÓ×Ѫ¹ÜÖÜÎ§Íø×´ÏËά³ÊÐþɫȾɫ  HE¡Á40

(ÃâÒß×éÖ¯»¯Ñ§È¾É«)

          2011218154546658

5-3-9 MEBT/MEBOÒ½ÖÎ30Ì죬ϸ°û½ÇÖÊËØAE3³ÊÑôÐÔ¡££¨×¢Ã÷»¼ÕßÉÕÉË´´ÃæÊÇ×ÔÎÒÔÙÉú½¨¸´£© HE¡Á20

          2011218154554744

5-3-10 ͬÉÏ  HE¡Á40

          2011218154559458

5-3-11 AE1Ⱦɫ¡£ÏÙÉÏÆ¤µ°°×ÒõÐÔ  HE¡Á20

µç¾µ¹Û²ì

          201121815465246

5-3-12 ÉÕÉ˵±ÈÕ£¬µ¥ºËϸ°ûºËÆ«ÒÆ£¬¹ÌËõ£¬²¢ÓÐÍÌÊɾ°Ïó  TE¡Á8000

          2011218154610633

5-3-13 MEBT/MEBOÒ½ÖÎ5Ì죬³ÉÏËάϸ°û³É³¤»îÔ¾  TEM¡Á2000

          2011218154616303

5-3-14 MEBT/MEBOÒ½ÖÎ20Ì죬4¸ö¼¬Ï¸°ûµÄÇÅÁ£ÏνӠ  TEM¡Á3500

          2011218154621356

5-3-15 ÇÅÁ£½á¹¹ TEM¡Á20000

          2011218155244488

5-3-16 ¿ÅÁ£Ï¸°û  TEM¡Á3500

          2011218154626913

5-3-17 »ùÐéʵ°û²ã£¨ÐþÉ«ËØÓ×Ì壩  TEM¡Á6000

          2011218154631904

5-3-18 ÍÌÊÉϸ°û»îÔ¾  TEM¡Á6000

          2011218154636908

5-3-19 MEBT/MEBOÒ½ÖÎ20Ì죬ʾÏËάĸϸ°û£¬¼°Óë»ùµ×Ĥ°ëÇÅÁ£ÏνӵÄÉÏÆ¤Ï¸°û TEM¡Á3000

          2011218154644148

5-3-20 ´ÖÃæÄÚÖÊÍø½á¹¹ºÍÏßÁ£ÌåÔöÉúÑÄÔ¾  TEM¡Á17000

          2011218154650270

5-3-21 ͬÉÏ  TEM¡Á20000

          2011218154656389

5-3-22 MEBT/MEBOÒ½ÖÎ30Ì죬ÕûÆë·ÖÁеĽºÔ­ÏËά£¬ÏËά¾ùÔÈÒ»ÖÂÖ± ¾¶ 0.1¡«0.5µm£¬ÓÐÃ÷°µÏà¼äµÄÖÜÆÚÐÔºáÎÆ£¨64nm)

(ÏôĦ¡¢ÕÔ¿¡Ïé)
¡¾ÍøÕ¾µØÍ¼¡¿